FONKOU-AUTOTRONIQUE


MBA FONKOU FERDINAND RODRIGUE(mécatronicien automobile/informaticien)

QUE CHERCHEZ VOUS?

sectionnez ci dessous (schemas,ABS,airbags,fusibles et relais,immo-location,fichier BSI,données technique)

  • nous contacter
  • contacter un spécialiste

SCHEMAS DE GESTION MOTEUR



SCHEMAS DE CLIMATISATION



Codes défaut

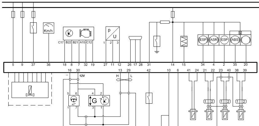
SCHEMAS DE L'ABS



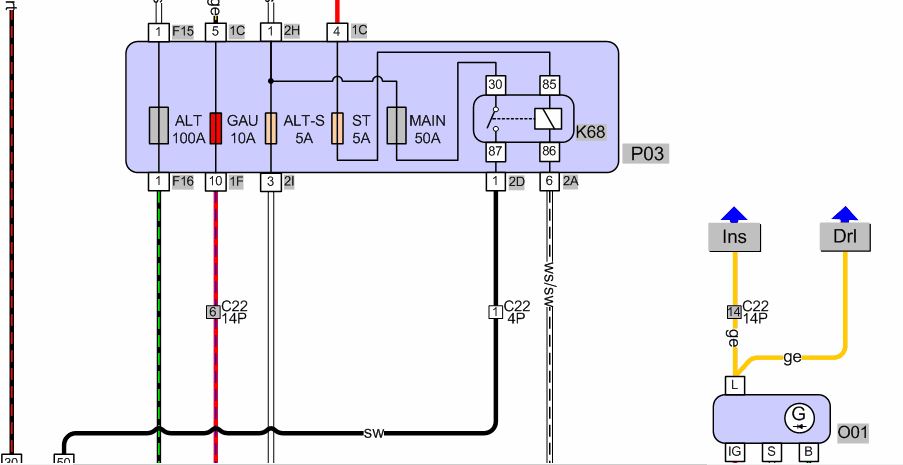
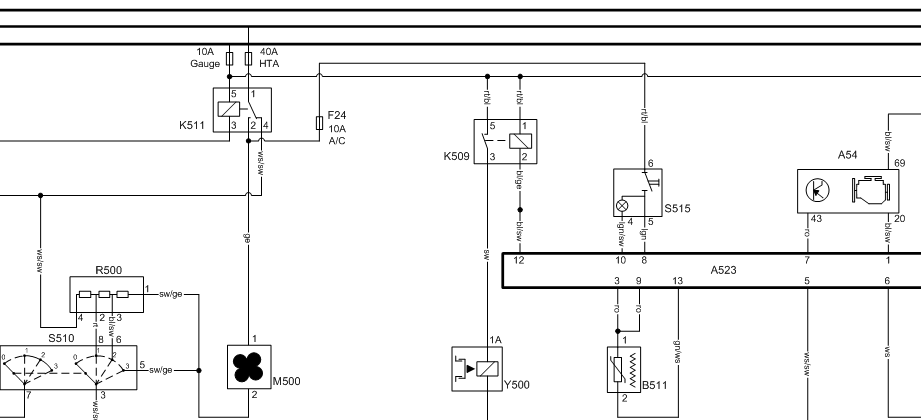
SCHEMAS ELECTRIQUE



Plan d'entretien

SCHEMAS DE L'AIRBAG



FUSIBLES ET RELAIS



données technique

nous contacter

  • Twitter
  • Facebook
  • Instagram
  • whatsapp
  • gmail
  • appeler
  • youtube
(+237) 6 53 55 14 82