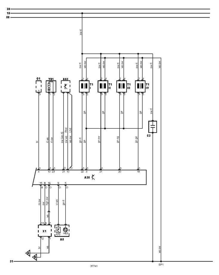
Y81

Y56

G1

C3

T1

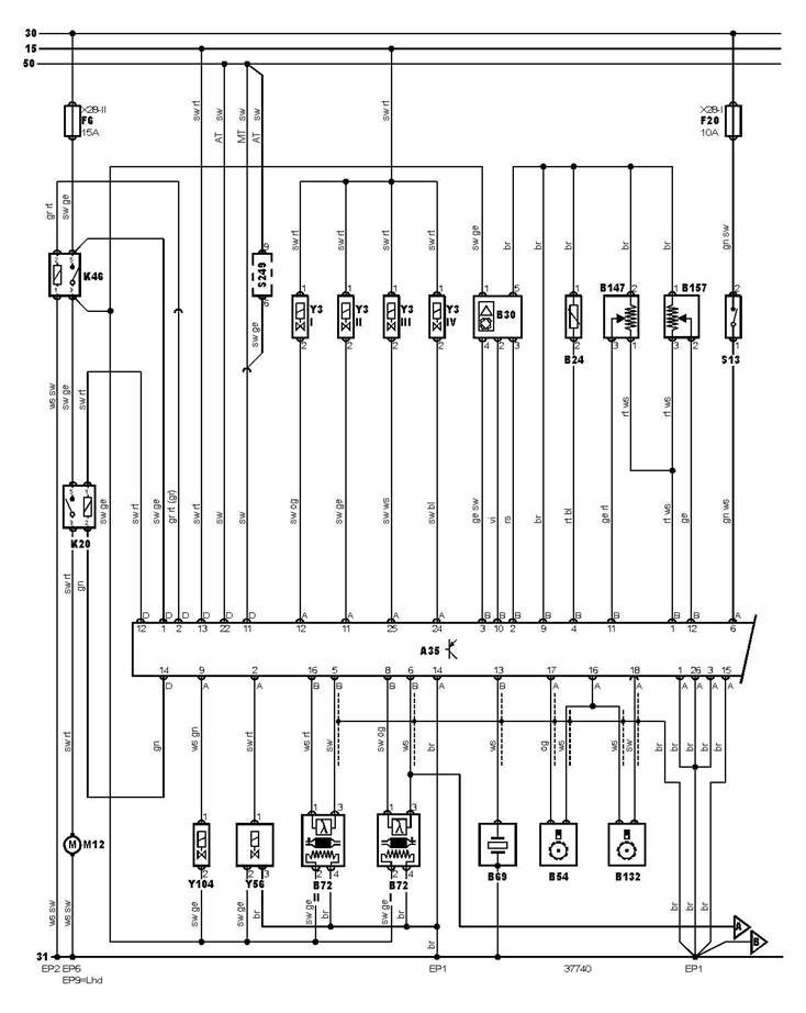
X28-II

X28-I

A63

A75

31

30

A35

B132

B147

B54

B157

Actuateur de position d'arbre à cames

Actuateur de ralenti

Alternateur

Antiparasite autoradio

Bobine d'allumage

Boîte à fusibles/plaque de relais - compartiment moteur 1

Boîte à fusibles/plaque de relais - planche de bord 1

Boîtier électronique climatisation

Boîtier électronique instruments de bord

Borne - de la batterie

Borne + de la batterie

Calculateur de gestion moteur

Capteur de position d'arbre à cames

Capteur de position du papillon

Capteur de position du vilebrequin

Capteur de pression de la direction assistée

 

 

 

 

 

 

 

 

15            Contact (démarrage) - contact mis

50

S13

S249

B30

B69

Y104

F

Y3

M12

X1

K46

K20

B24

B72

A5

H63

Contact (démarrage) - signal du démarrage

Contacteur de position de pédale de frein

Contacteur de position du levier de vitesses

Débitmètre d'air massique

Détecteur de cliquetis

Electrovanne de purge canister

Fusible

Injecteur

Pompe à carburant

Prise diagnostic générale

Relais calculateur gestion du moteur

Relais de pompe à carburant

Sonde de température du liquide de refroidissement moteur

Sonde Lambda chauffée (HO2S)

Tableau de bord

Témoin défaut du moteur

 

 

 

 

bl = bleu

 

 

br = brun

 

 

el = blanc cassé

 

 

ge = jaune

 

 

 

gn = vert

 

 

 

gr = gris

 

 

 

nf = neutre

 

 

 

og = orange

 

 

 

rs = rose

 

 

 

rt = rouge

 

 

 

sw = noir

 

 

 

vi = violet

 

 

 

ws = blanc

 

 

 

hbl = bleu léger

 

 

 

hgn = vert léger

 

 

 

rbr = marron

 

 

 

x = câble entrelacé

 

 

 

y = haute tension

 

 

 

z = connexion sans câble

 

 

 

 

 

 

 

 

 

 

N.B. : Sur certains schémas (Citroen, Peugeot & Renault), des fils sont identifiés par un numéro au lieu d'une couleur.Dans ce cas les fils sont numérotés aux deux extrémités.

 

Constructeur : Toyota

Modèle : Yaris (99-06) 1,0

 

Code moteur: 1SZ-FE

Puissance: 49 (67) 6000

 

 

 

 

Mis au point pour: Catalyseur régulé                         Année: 1999-06                                                                                                      


 

 

 

 

 

Constructeur : Toyota

Modèle : Yaris (99-06) 1,0

 

Code moteur: 1SZ-FE

Puissance: 49 (67) 6000

 

 

 

 

Mis au point pour: Catalyseur régulé                         Année: 1999-06